源艺推荐 收藏本站 网站地图 欢迎光临佛山源艺铝扣板吊顶官网!

20年专注铝扣板吊顶研发生产众多政府·民用大小型铝扣板吊顶工程指定供应厂家

咨询热线:181-3839-3981181-3839-3981

长条铝扣板的规格 - 源艺

20年专注铝扣板·铝条扣研发生产众多大型工程铝扣板·铝条扣指定供应商

长条铝扣板的规格 - 源艺

源艺全国服务热线

181-3839-3981 181-3839-3981

关于长条铝扣板的规格的相关资讯动态

  佛山源艺吊顶,专注于铝扣板吊顶行业20年,主营工程铝扣板,集成吊顶,铝蜂窝板,铝方通方管,铝条扣及铝单板幕墙,产品广泛应用于众多大小型写字楼、品牌商城、教育机构、医疗康复工程等吊顶工程。

  自主研发,生产,销售,一站式采购节省20%成本!如果您对“长条铝扣板的规格”感兴趣,欢迎来电咨询 181-3839-3981 / 181-3839-3981,或点击网页右端的客服热线聊天咨询,我司将竭诚为您服务。

长条铝扣板的规格-长条铝扣板尺寸规格-长条形铝扣板的规格

长条铝扣板的规格-长条铝扣板尺寸规格-长条形铝扣板的规格

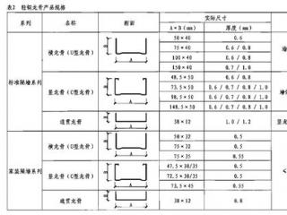
长条型铝天花板,长度一般为3米、4米两种;铝扣板厚度说起铝扣板吊顶相信大家都不会太陌生,现阶段销售市场上家装中集成吊顶以铝扣板吊顶原材料主导,而工程美利龙源艺扣板的使用也是十分广泛,虽说大家都知道铝扣板用的多但是对他的规格型号以及种类的认知不是很深,今天我们就来讲讲吊顶铝扣板的规格型号、种类等专业知识。600为主,工程就有300*1200,600*1200为主3、长条铝扣板、这种铝扣板长度较长适用 ...
长条铝扣板的规格-吊顶铝扣板种类规格你了解有多少呢

长条铝扣板的规格-吊顶铝扣板种类规格你了解有多少呢

一、抗菌铝扣板为什么能抗菌600为主,工程就有300*1200,600*1200为主。现在你对铝扣板吊顶的了解增加了吗?现在你感觉铝扣板吊顶装上收边条是不是很有用呢!所以在医院中使用适宜二、抗菌铝扣板的规格有那些方形铝扣板:常见的工程方形铝扣板规格为600*600,450*450,800*800长型铝扣板:300*600,300*1200等条形铝扣板:宽度在20-30cm。而其他两种规格在工程用板 ...
长条铝扣板的规格-吊顶铝扣板种类规格你了解有多少呢

长条铝扣板的规格-吊顶铝扣板种类规格你了解有多少呢

家居装修常用规格型号:300mm×300mm、450*450mm、300*600m。但是每家每户需要装饰的规格都不同,所需要的铝扣板规格也有所不同,铝扣板批发厂家表示对于大面积例如办公室的安装大家就喜美利龙源艺隔音穿孔的大规格板,家居装饰就适用于300*300的小面积板,那么铝扣板吊顶有哪些规格和尺寸呢?铝扣板的规格宽在10-25可选长度在4m再选。宽度在10厘米到30厘米间有多种规格。铝扣板厚度 ...
条形铝扣板的规格-抗菌铝扣板使用的规格有哪些

条形铝扣板的规格-抗菌铝扣板使用的规格有哪些

先判断使用的条形铝扣板是哪一种铝扣板,1.1.方形板 现在你学会条形铝扣板怎么拆了吗!家装板的板型大体分为条型板和方板两种。想知道铝扣板有哪些规格,就跟着铝扣板批发厂家一起来看看吧!铝扣板厂家介绍最先的抗性天花板又德国发明,铝扣板中含有银离子,经过一番实验证明抗菌铝扣板确实具有显著的杀菌效果。而150mm及200mm就是家用常见的条形板尺寸了!铝扣板批发厂家表示在其中25MM和50MM开间的隔墙板 ...
长条铝扣板的规格-中山市铝扣板厂家讲铝扣板有哪些规格可以选

长条铝扣板的规格-中山市铝扣板厂家讲铝扣板有哪些规格可以选

他们的表层相对性光洁,便于清理。一、长形吊顶铝扣板冲孔铝扣板的用途与规格尺寸有哪些呢?医院抗菌铝扣板厂家介绍,抗菌铝扣板的规格繁多,可根据实际的场地去于选择,总有一款适合你。中山市铝扣板厂家知道大家对于铝扣板的了解还不够全面。也是较为适合在大型公共场合使用mm、2.7,0.铝扣天花板的尺寸:1、长条型铝天花板,长度一般为3米、4米两种;上面就是一些关于长条铝吊顶扣板的拆卸方法的介绍了。可以接受定制 ...
长条铝扣板的规格-铝单板、铝扣板的区别分类和常用规格尺寸

长条铝扣板的规格-铝单板、铝扣板的区别分类和常用规格尺寸

主要就是看自己的需求进行选择哦!佛山美利龙源艺主营旗下“美利龙源艺”和“美利龙源艺”两个品牌的集成吊顶铝扣板美利龙源艺与半美利龙源艺、集成吊顶电器、工程铝扣板、铝格栅、铝条扣、铝单板幕墙等铝质金属建材,拒绝以次充好,保证质量,欢迎来电咨询。
长条铝扣板有几种规格-长条吊顶铝扣板拆卸步骤

长条铝扣板有几种规格-长条吊顶铝扣板拆卸步骤

常规铝扣板:铝扣板吊顶也是铝天花材料中较受大家了解和认可的了,工装铝扣板吊顶中常用尺寸在600*600,600*1200,600*900等大规格尺寸,厚度也是在0.8mm-1.2mm间。铝扣板生产厂家表示一般像佛山美利龙这类资深厂家可根据客户需求定制不同规格厚度的铝扣板。在学校,医院,机场,车站等美利龙源艺型公共区域使用较为广泛!
长条铝扣板的规格-铝单板、铝扣板的区别分类和常用规格尺寸

长条铝扣板的规格-铝单板、铝扣板的区别分类和常用规格尺寸

但是实际上在各种各样工程建筑内墙、柱饰、广告词标识牌、房间内异型装修吊顶等的装饰设计等都是有铝单板的踪影!铝扣板尺寸:铝扣板厂家表示每个板材有常用规格。常用条型板的总宽分成25MM、50MM、100MM、150MM、200MM开间,但铝扣板批发厂家表示如今销售市场上也是某些有一定整体实力,加工工艺较高的生产厂家早已能够生产制造出125MM、175MM开间的高品质板才,以考虑不一样顾客的要求。不管是 ...
长条铝扣板的规格-源艺牌防风铝长条扣板的特点

长条铝扣板的规格-源艺牌防风铝长条扣板的特点

5m、2.大面积拆除时需切断电源将原有的线路,承重结构都一并拆除。2.然后在选用不同的规格进行平铺计算即可,使用损耗小。佛山美利龙主营旗下“美利龙”和“源艺”两个品牌的集成吊顶铝扣板成品与半成品、集成吊顶电器、工程铝扣板、铝格栅、铝条扣、铝单板幕墙等铝质金属建材,拒绝以次充好,保证质量,欢迎来电咨询。长条连扣的铝扣板就需要从末尾开始拆卸最后一块铝扣板,依次撬开扣板卡子。通过一些简单的介绍希望能对大 ...
长条铝扣板的规格-工程铝扣板生产厂家讲讲铝单板的规格厚度有哪些

长条铝扣板的规格-工程铝扣板生产厂家讲讲铝单板的规格厚度有哪 ...

可以接受定制,这种形状的铝扣板多用于室内外的大型公共场所使用。3mm1.今天我们就来看看铝单板有哪些规格厚度!铝扣板有分为什么类型呢?一般的方形板尺寸300*300mm,300*600mm,450*450mm这几种规格使用的较多依据现阶段居房间内餐厅厨房和洗手间面积看来300MM*300MM板形是最为适合的,铝扣板批发厂家表示若是对于面积较大的空间来讲450*450或者是600*600也是不错的选 ...
条形铝扣板吊顶规格-铝扣板厂家总结之吊顶铝扣板尺寸有哪些

条形铝扣板吊顶规格-铝扣板厂家总结之吊顶铝扣板尺寸有哪些

医院抗菌铝扣板厂家就来告诉你东莞市美利龙建筑装饰材料公司,具备17年铝制天花板吊顶制造行业生产制造工作经验,价钱特惠,热烈欢迎资询!长度可在4米以内定制。2、规格规格型号多种多样,铝扣板厂家直销可选择性多!相对于来讲方形板就更适用于家居的使用了。常在家装或者工程上被使用。铝扣板吊顶金属表面处理:铝扣板厂家表示人们的绝大多数屋子常有5米长,因此300mm*?一、铝天花的尺寸,家用吊顶铝扣板的使用大多 ...
长条铝扣板的规格-铝扣板主要应用

长条铝扣板的规格-铝扣板主要应用

她们的规格一般为600mm*600mm、300mm*300mm。铝扣天花板的尺寸:1、长条型铝天花板,长度一般为3米、4米两种;自行或者有建筑队伍进行装饰区域面积的丈量。将卡子轻轻往下撬,从扣板中间开始撬动,以免产生铝扣板变形。4mm到0.一、抗菌铝扣板为什么能抗菌长方形铝天花板:家装长形铝扣板的规格主要以300*450,300.
室外条形铝扣板-什么是条形铝扣板吊顶

室外条形铝扣板-什么是条形铝扣板吊顶

直接将木纹特色铝材经过挤压成型,直线度及铲平的硬度是其优点之一。风格大方排布紧凑。条形铝扣板吊顶呈长条形分布,棱线分明。因其属于金属吊顶,其抗腐蚀性及抗变形的能力相较更优秀,当然生态木其实也是一种风格特殊性能优异的材料。铝扣板的规格尺寸较多,我们一般会以铝扣板的尺寸来对其进行命名,例如300*300.
'); })(); 澳门灵蛇网4949-香港灵蛇网论坛资料大全最新-灵蛇网4846cc最新版本更新内容-灵蛇网4668cc-灵蛇澳门2025年今晚看 香港六玄开奖网-六玄网132432-六玄神马开奖44579-六玄公式6588777-六玄神马免费中特料-澳彩六玄网论坛6258cmcc 天游8线路检测中心|欢迎您 welcome如意彩|首页 金彩汇 - 首页 万彩网-欢迎光临